EG6B41J英标常闭式气动衬胶隔膜阀
- 销售:021-32051999
- 销售:021-32050777
- 传真:021-66099555
详情介绍
- 产品介绍
- 服务承诺
- 订货流程
EG6B41J英标常闭式气动衬胶隔膜阀 产品说明
设计与制造:GB12239或BS5156
结构长度:GB12221或BS5156
法兰连接尺寸:GB4216.4或BS4504
试验与检验:GB/T13927或BS5156
主要零件材料
阀体:铸铁、球墨铸铁、碳钢、不锈钢
阀盖:铸铁、球墨铸铁、碳钢、不锈钢
衬里:无衬里、橡胶
隔膜:橡胶
阀瓣:铸铁、碳钢
阀杆:碳钢、不锈钢
手轮:铸铁
测试
衬里层:电火花检测
试验与检验按BS6755标准
公称压力:PN(MPa)
阀体:PN×1.5
密封:PN×1.1
结构特点
隔膜阀是一种特殊形式的截止阀:
1. 弹性密封的开闭件,确保没有内漏;
2. 流线型的流道,使得压力损失小;
3. 没有填料函,因此没有外漏;
4. 阀体与盖被中间隔膜隔开,使得隔膜上方的阀盖,阀杆等零件不受介质侵蚀;
5. 隔膜可更换,维护费用低;
6. 衬里材料的多样性,可适用于各种介质,并具有强度高、耐腐蚀性能好的特点。
EG6B41J气动常闭式衬胶隔膜阀,EG6B41J-10,EG6B41J-6型号衬胶阀门是用来改变通路断面和介质流动方向,具有导流、截止、调节、节流、止回、分流或溢流等功能。阀门可用于控制水、蒸汽、油品、气体、泥浆、各种腐蚀性介质、液态金属和放射性流体等流体的流动。
性能规范
型号 | 公称压力 | 试验压力PS(Mpa) | 适用介质 | 工作温度(℃) | |
EG6B41WJF-6 | 0.6 | 0.9 | 0.66 | W.非腐蚀性流体 | ≤100 |
EG6B41WJF-10 | 1.0 | 1.5 | 1.1 | ||
EG6B41WJF-16 | 1.6 | 2.4 | 1.76 | ||
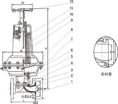
部件列表:1、阀体 2、阀体衬里 3、隔膜 4、阀瓣 5、下阀杆 6、阀盖 7、气缸 8、活塞 9、弹簧 10、气缸盖 11、上阀杆 12、手轮


主要外形连接尺寸及重量
型号 | 公称通径 | 尺寸(mm) | 气动装置 | 重量 | |||||||||||
L | f | D1 | D | D0 | n-d | H | B | 代号 | 耗气量(cm3) | 气源压力(MPa) | 气源接头(in) | ||||
J型 | W型 | ||||||||||||||
EG6B41WJF-16 | 20 | 121 | 117 | 2 | 75 | 105 | 120 | 4-13.5 | 168 | 61 | 163.87 | 0.3 | 1/8 | 7.2 | |
25 | 131 | 127 | 2 | 85 | 115 | 120 | 4-13.5 | 394 | 168 | 61 | 196.65 | 0.3-0.4 | 1/8 | 8.9 | |
32 | 150 | 146 | 2 | 100 | 140 | 120 | 4-17.5 | 400 | 168 | 61 | 229.4 | 0.3-0.4 | 1/8 | 10.6 | |
40 | 163 | 159 | 2 | 110 | 150 | 165 | 4-17.5 | 485 | 260 | 62 | 1425.7 | 0.3-0.4 | 1/4 | 19.5 | |
50 | 194 | 190 | 2 | 125 | 165 | 165 | 4-17.5 | 635 | 318 | 63 | 2284.1 | 0.3-0.4 | 1/4 | 34.9 | |
EG6B41WJF-10 | 65 | 220 | 216 | 2 | 145 | 185 | 165 | 4-17.5 | 650 | 318 | 63 | 3048 | 0.3-0.4 | 1/4 | 39.9 |
80 | 258 | 254 | 2 | 160 | 200 | 165 | 8-17.5 | 660 | 318 | 63 | 3244.7 | 0.4-0.5 | 1/4 | 51.9 | |
100, | 309 | 305 | 2 | 180 | 220 | 280 | 8-17.5 | 816 | 425 | 64 | 6964.5 | 0.4-0.5 | 3/8 | 93.2 | |
125 | 362 | 356 | 3 | 210 | 250 | 280 | 8-17.5 | 825 | 425 | 64 | 7439.7 | 0.4-0.5 | 3/8 | 105.3 | |
150 | 412 | 406 | 3 | 240 | 285 | 310 | 8-22 | 1013 | 549 | 65 | 14912 | 0.5 | 3/8 | 184.5 | |
EG6B41WJF-6 | 200 | 529 | 521 | 4 | 295 | 340 | 483 | 8-22 | 1300 | 749 | 66 | 49161 | 0.5 | 1/2 | 407.4 |
注:
1、气动隔膜阀尚可附装反馈信号、限位器或定位器,以适应自近控、程控或调节流量的需要
2、气动阀门的反馈信号采用无触点传感技术
3、采用气缸活塞式
4、当气源发生故障时,可操作手轮使阀门开启
良好的品质、优良的服务 奇高为你创造更多价值!
“奇高阀门”的期望,不断提升服务质量,精益求精,“真诚的服务”是“奇高”永恒的主题。“奇高”严格按照IS09001-2000 质量体系认证要求,质量严格把关, 责任到人,确保生产、销售、服务的健康运行。加强与用户沟通,竭诚为广大客户提供优良产品,贴心服务。特此我厂做出以下承诺:
产品标准:
产品严格按照中国GB、HG 标准和美国API等标准设计、制造、验收。密封面硬度达到国家规定要求,宽度超过国家标准。
售前服务:
产品介绍,技术交流,非标产品设计,疑难解答。
售中服务:
守信合同,及时供货,随时保持与客户联系。 对特殊或复制的产品,我厂安排技术人员对用户进行产品使用、故障排除
售后服务:
1、“奇高”牌产品品质期为自出厂起12个月,实行“三包”服务(包退、包换、保修)。
2、产品在使用中我厂定期组织技术、质检人员进行访问,征询用户对产品质量、 使用状况、改进意见等方面的反馈, 以便进一步提高产品质量。
3、对用户投诉质量问题,快速作出反应,售后服务人员在24-36小时(省外48小时)赶赴现场。
4、对售后服务,要求用户填写服务后的质量反馈信息表,并作出鉴定意见,以便提高奇高的服务质量。
1、客户如对产品有特殊要求,须在订货合同中提供以下说明:
a、结构长度;
b、连接形式;
c、公称直径、全通径、缩径、管道尺寸;
d、运行介质及温度、压力范围;
e、试验、检验标准及其他要求
2、本厂可根据客户特定要求配置各类驱动装置。
3、如由客户提供确定的阀门类型和型号时,客户应正确说明其型号的含义和要求,在供需双方理解一致的条件下签订合同。
4、期货、订货的客户请先来电函详细告诉所需的阀门型号、规格、数量以及交货时间、地点,并按总的30%预定金或全额货款及时汇入我厂帐户,其余货款待发货前汇入,以便及时安排发货。
订单流程:
1、客户采购清单传真至021-33872143,或来电咨询 021-33872141
2、收到客户采购清单,为客户提供阀门型号选型与报价(价格清单)。
3、具体商定:交货期、特殊要求等事宜。
订货须知:
1、客户如对产品有特殊要求,须在订货合同中提供以下说明:
|
|||||
|
|||||
2、本厂可根据客户特定要求配置各类驱动装置。
|
|||||
3、如由客户提供确定的阀门类型和型号时,客户应正确说明其型号的含义和要求,在供需双方理解一致的条件下签订合同。
|
|||||
4、期货、订货的客户请先来电函详细告诉所需的阀门型号、规格、数量以及交货时间、地点,并按总的30%预定金或全额货款及时汇入我厂账户, 其余货款待发货前汇入,以便及时安排发货。
|
售中服务:
守信合同,及时供货,随时保持与客户联系。
对特殊或复制的产品,我厂安排技术人员对用户进行产品使用、故障排除
售后服务:
1、“奇高”产品品质期为自出厂起12个月,实行“三包”服务(包退、包换、保修)。
2、产品在使用中我厂定期组织技术、质检人员进行访问,征询用户对产品质量、使用状况、改进意见等方面的反馈,
以便进一步提高产品质量。
3、对用户投诉质量问题,快速作出反应,售后服务人员在24-36小时(省外48小时)赶赴现场。
4、对售后服务,要求用户填写服务后的质量反馈信息表,并作出鉴定意见,以便提高“奇高”的服务质量。
声明 |
|