SEG41W卫生级隔膜阀
- 销售:021-32051999
- 销售:021-32050777
- 传真:021-66099555
详情介绍
- 产品介绍
- 服务承诺
- 订货流程
卫生级隔膜阀专用于控制制药、饮用食类介质的各类管路或设备上作启闭及节流用。
适用温度:≤120℃、≤150℃(按照隔膜材料)
压力等级:PN(MPa) 0.6 1.0 1.6
主要性能规范
设计与制造:BS5156
结构长度:BS5156
法兰连接尺寸:BS4504、DIN2532、JIS B2212、ANSI B16.1、ISO2004
材料
阀体:不锈钢
阀盖:不锈钢
阀瓣:不锈钢
隔膜:无毒橡胶
阀杆:不锈钢
手轮:铸铁、不锈钢
测试
衬里层:电火花检测
试验与检验按BS6755标准
公称压力:PN(MPa)
阀体:PN×1.5
密封:PN×1.1
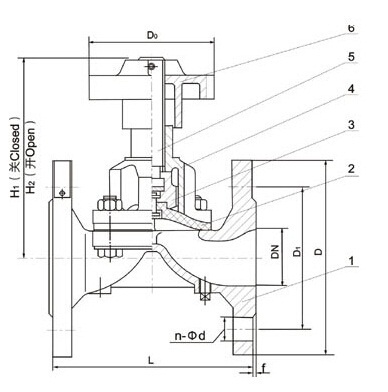
部件列表:1.阀体 2.隔膜 3.阀瓣 4.阀杆 5.阀盖 6、手轮

主要外形尺寸
DN | 公称压力 | 工作压力 | L | D | D1 | n-Фd | f | H1 | H2 | D0 | 质量 Kg |
15 | 1.6 | 1.6 | 108 | 95 | 65 | 4-14 | 2 | 84 | 92 | 66 | 2 |
20 | 117 | 105 | 75 | 4-14 | 2 | 93 | 105 | 66 | 3 | ||
25 | 127 | 115 | 85 | 4-14 | 2 | 100 | 112 | 66 | 4 | ||
32 | 146 | 140 | 100 | 4-18 | 2 | 127 | 144 | 96 | 6.5 | ||
40 | 159 | 150 | 110 | 4-18 | 2 | 136 | 156 | 96 | 7.5 | ||
50 | 190 | 165 | 125 | 4-18 | 2 | 151 | 177 | 96 | 10.5 | ||
65 | 1.0 | 1.0 | 216 | 185 | 145 | 4-18 | 2 | 183 | 213 | 165 | 17.5 |
80 | 254 | 200 | 160 | 8-18 | 2 | 190 | 230 | 230 | 25.5 | ||
100 | 305 | 220 | 180 | 8-18 | 2 | 242 | 285 | 280 | 36 | ||
125 | 356 | 250 | 210 | 8-18 | 3 | 285 | 348 | 280 | 47.5 | ||
150 | 406 | 285 | 240 | 8-22 | 3 | 353 | 431 | 368 | 74 | ||
200 | 0.6 | 521 | 340 | 295 | 8-22 | 3 | 445 | 537 | 483 | 143 |
良好的品质、优良的服务 奇高为你创造更多价值!
“奇高阀门”的期望,不断提升服务质量,精益求精,“真诚的服务”是“奇高”永恒的主题。“奇高”严格按照IS09001-2000 质量体系认证要求,质量严格把关, 责任到人,确保生产、销售、服务的健康运行。加强与用户沟通,竭诚为广大客户提供优良产品,贴心服务。特此我厂做出以下承诺:
产品标准:
产品严格按照中国GB、HG 标准和美国API等标准设计、制造、验收。密封面硬度达到国家规定要求,宽度超过国家标准。
售前服务:
产品介绍,技术交流,非标产品设计,疑难解答。
售中服务:
守信合同,及时供货,随时保持与客户联系。 对特殊或复制的产品,我厂安排技术人员对用户进行产品使用、故障排除
售后服务:
1、“奇高”牌产品品质期为自出厂起12个月,实行“三包”服务(包退、包换、保修)。
2、产品在使用中我厂定期组织技术、质检人员进行访问,征询用户对产品质量、 使用状况、改进意见等方面的反馈, 以便进一步提高产品质量。
3、对用户投诉质量问题,快速作出反应,售后服务人员在24-36小时(省外48小时)赶赴现场。
4、对售后服务,要求用户填写服务后的质量反馈信息表,并作出鉴定意见,以便提高奇高的服务质量。
1、客户如对产品有特殊要求,须在订货合同中提供以下说明:
a、结构长度;
b、连接形式;
c、公称直径、全通径、缩径、管道尺寸;
d、运行介质及温度、压力范围;
e、试验、检验标准及其他要求
2、本厂可根据客户特定要求配置各类驱动装置。
3、如由客户提供确定的阀门类型和型号时,客户应正确说明其型号的含义和要求,在供需双方理解一致的条件下签订合同。
4、期货、订货的客户请先来电函详细告诉所需的阀门型号、规格、数量以及交货时间、地点,并按总的30%预定金或全额货款及时汇入我厂帐户,其余货款待发货前汇入,以便及时安排发货。
订单流程:
1、客户采购清单传真至021-33872143,或来电咨询 021-33872141
2、收到客户采购清单,为客户提供阀门型号选型与报价(价格清单)。
3、具体商定:交货期、特殊要求等事宜。
订货须知:
1、客户如对产品有特殊要求,须在订货合同中提供以下说明:
|
|||||
|
|||||
2、本厂可根据客户特定要求配置各类驱动装置。
|
|||||
3、如由客户提供确定的阀门类型和型号时,客户应正确说明其型号的含义和要求,在供需双方理解一致的条件下签订合同。
|
|||||
4、期货、订货的客户请先来电函详细告诉所需的阀门型号、规格、数量以及交货时间、地点,并按总的30%预定金或全额货款及时汇入我厂账户, 其余货款待发货前汇入,以便及时安排发货。
|
售中服务:
守信合同,及时供货,随时保持与客户联系。
对特殊或复制的产品,我厂安排技术人员对用户进行产品使用、故障排除
售后服务:
1、“奇高”产品品质期为自出厂起12个月,实行“三包”服务(包退、包换、保修)。
2、产品在使用中我厂定期组织技术、质检人员进行访问,征询用户对产品质量、使用状况、改进意见等方面的反馈,
以便进一步提高产品质量。
3、对用户投诉质量问题,快速作出反应,售后服务人员在24-36小时(省外48小时)赶赴现场。
4、对售后服务,要求用户填写服务后的质量反馈信息表,并作出鉴定意见,以便提高“奇高”的服务质量。
声明 |
|