液控缓闭止回蝶阀-DX7K41X
- 销售:021-32051999
- 销售:021-32050777
- 传真:021-66099555
详情介绍
- 产品介绍
- 服务承诺
- 订货流程
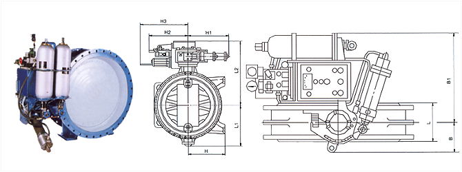
DX7K41X型蓄能罐式液控缓闭止回蝶阀是目前用于水轮机进口处的关键控制设备,具有良好的密封、调节性能,该阀是奇高阀门近年研制开发的新产品,通过对多种国内外同类产品进行认真考察与研究,创造了具特色的以三偏心为基本结构型式的液控蝶阀,经实地应用,操作系统运行良好,本蝶阀除了具有三偏心结构优点外还具备以下明显优势与特色。
主要特点
1、本阀的驱动系统为中同压两级驱动装置,该装置体积小而蝶阀启闭速度的调控范围大,初开启段为高压小流量控制,使蝶阀开启瞬间状态平缓,无剧烈波动,完全清理系统内的水锤隐患,然后将切入较快的转动角速度,液压缸将以设定的理想推力与速度将蝶板平稳打开。
2、本蝶阀的安装位置通常为横向卧式,蝶板偏离位置的合理摆放可使蝶板充分利用管道内的动水力矩驱动蝶板的顺利关闭,本阀的安装位置将体现动水力矩与重锤力矩的共同作用效果,随着关闭转角的逐步完成,动水力矩将趋于减小,重锤力矩将使关闭瞬间变的缓慢而平稳,从而严格杜绝了水锤现象的发生,零泄漏的密封效果将在这一合理严密的控制系统中得以可靠实现。
3、本阀的电液控制系统具有远程控制功能,蝶板任意速度的开启与关闭以及任意位置的锁定均可通过设计合理的各类液压控制阀轻松实现。
4、本阀配有手动油泵,在系统因故而断电时仍可正常关闭或打开蝶阀。
液控缓闭止回阀蝶阀 型号编制

液控缓闭止回蝶阀 主要性能参数
型号 | 公称压力(MPa) | 实验压力(MPa) | 适用温度(℃) | 适用介质 | ||||
壳体实验 | 密封试验 | |||||||
DX7K41H-6C | 0.6 | 0.9 | 0.66 | ≤65 | 水 | |||
DX7K41H-10C | 1.0 | 1.5 | 1.1 | |||||
项目 | 公称通径 | |||||||
DN≤1000 | DN≥1400 | |||||||
开阀时间(S) | 10~60可调 | 15~60可调 | ||||||
关阀时间(S) | 快关 | 1.2~25可调 | 2~30可调 | |||||
慢关 | 2~60可调 | 4~60可调 | ||||||
关阀角度(°) | 快关 | 60°±10° | ||||||
慢关 | 25°±10° | |||||||
液控缓闭止回蝶阀 主要零件材料
名称 | 阀体 | 蝶板 | 蝶板密封圈 | 阀杆 | 阀座 | 填料 |
DX7K41H-6/10 Z | 灰铸铁 | 球墨铸铁 | 丁腈橡胶 | 铬不锈钢 | 铜合金 | O型橡胶圈 |
DX7K41H-6/10 C | 碳钢 | 碳钢 | 不锈钢 | 铬不锈钢 | 不锈钢 | 柔性石墨 |

液控缓闭止回蝶阀 主要外形尺寸及重量
公称通径(mm) | 主要外形尺寸(mm) | 重量(kg) | |||||
L | L1 | E | E1 | H | H1 | ||
500 | 350 | 800 | 1442 | 920 | 420 | 1100 | 1500 |
600 | 390 | 800 | 1634 | 1200 | 440 | 1500 | 1800 |
700 | 430 | 800 | 1728 | 1200 | 500 | 1200 | 2000 |
800 | 470 | 800 | 2000 | 1200 | 510 | 1210 | 2500 |
900 | 510 | 800 | 2130 | 1200 | 570 | 1270 | 3000 |
1000 | 550 | 800 | 2410 | 1300 | 620 | 1620 | 3000 |
1200 | 630 | 800 | 2600 | 1355 | 710 | 1710 | 4200 |
1400 | 710 | 800 | 2825 | 1355 | 820 | 1820 | 4900 |
1600 | 790 | 890 | 3141 | 1355 | 920 | 1920 | 5900 |
1800 | 870 | 890 | 3423 | 1760 | 1035 | 2035 | 6300 |
2000 | 950 | 890 | 3623 | 1860 | 1150 | 2140 | 6170 |
良好的品质、优良的服务 奇高为你创造更多价值!
“奇高阀门”的期望,不断提升服务质量,精益求精,“真诚的服务”是“奇高”永恒的主题。“奇高”严格按照IS09001-2000 质量体系认证要求,质量严格把关, 责任到人,确保生产、销售、服务的健康运行。加强与用户沟通,竭诚为广大客户提供优良产品,贴心服务。特此我厂做出以下承诺:
产品标准:
产品严格按照中国GB、HG 标准和美国API等标准设计、制造、验收。密封面硬度达到国家规定要求,宽度超过国家标准。
售前服务:
产品介绍,技术交流,非标产品设计,疑难解答。
售中服务:
守信合同,及时供货,随时保持与客户联系。 对特殊或复制的产品,我厂安排技术人员对用户进行产品使用、故障排除
售后服务:
1、“奇高”牌产品品质期为自出厂起12个月,实行“三包”服务(包退、包换、保修)。
2、产品在使用中我厂定期组织技术、质检人员进行访问,征询用户对产品质量、 使用状况、改进意见等方面的反馈, 以便进一步提高产品质量。
3、对用户投诉质量问题,快速作出反应,售后服务人员在24-36小时(省外48小时)赶赴现场。
4、对售后服务,要求用户填写服务后的质量反馈信息表,并作出鉴定意见,以便提高奇高的服务质量。
1、客户如对产品有特殊要求,须在订货合同中提供以下说明:
a、结构长度;
b、连接形式;
c、公称直径、全通径、缩径、管道尺寸;
d、运行介质及温度、压力范围;
e、试验、检验标准及其他要求
2、本厂可根据客户特定要求配置各类驱动装置。
3、如由客户提供确定的阀门类型和型号时,客户应正确说明其型号的含义和要求,在供需双方理解一致的条件下签订合同。
4、期货、订货的客户请先来电函详细告诉所需的阀门型号、规格、数量以及交货时间、地点,并按总的30%预定金或全额货款及时汇入我厂帐户,其余货款待发货前汇入,以便及时安排发货。
订单流程:
1、客户采购清单传真至021-33872143,或来电咨询 021-33872141
2、收到客户采购清单,为客户提供阀门型号选型与报价(价格清单)。
3、具体商定:交货期、特殊要求等事宜。
订货须知:
1、客户如对产品有特殊要求,须在订货合同中提供以下说明:
|
|||||
|
|||||
2、本厂可根据客户特定要求配置各类驱动装置。
|
|||||
3、如由客户提供确定的阀门类型和型号时,客户应正确说明其型号的含义和要求,在供需双方理解一致的条件下签订合同。
|
|||||
4、期货、订货的客户请先来电函详细告诉所需的阀门型号、规格、数量以及交货时间、地点,并按总的30%预定金或全额货款及时汇入我厂账户, 其余货款待发货前汇入,以便及时安排发货。
|
售中服务:
守信合同,及时供货,随时保持与客户联系。
对特殊或复制的产品,我厂安排技术人员对用户进行产品使用、故障排除
售后服务:
1、“奇高”产品品质期为自出厂起12个月,实行“三包”服务(包退、包换、保修)。
2、产品在使用中我厂定期组织技术、质检人员进行访问,征询用户对产品质量、使用状况、改进意见等方面的反馈,
以便进一步提高产品质量。
3、对用户投诉质量问题,快速作出反应,售后服务人员在24-36小时(省外48小时)赶赴现场。
4、对售后服务,要求用户填写服务后的质量反馈信息表,并作出鉴定意见,以便提高“奇高”的服务质量。
声明 |
|