H42H/W立式止回阀
- 销售:021-32051999
- 销售:021-32050777
- 传真:021-66099555
详情介绍
- 产品介绍
- 服务承诺
- 订货流程
H42H、H42W立式止回阀正常处于关闭状态,由于管线中进口端介质的压力作用,而克服弹簧阻力使阀门开启。当进口端介质压力低于出口端时,弹簧将阀芯推向阀座而使阀门关闭,阻止介质逆流,故起止回作用。
本阀门由于采用弹簧支撑阀芯,故采用立式安装或卧式装均可。
应用规范
设计与制造 | GB/T12235 | |
连接端尺寸 | 结构长度 | GB/T12221 |
法兰尺寸 | JB/T79 | |
检验与试验 | JB/T9092 | |
材料 | 碳钢 | GB/T12229 |
不锈钢 | GB/T12230 | |
合金钢 | Q/ZB66 | |
标志 | GB/T12220 | |
供货 | JB/T7928 | |
性能规范
型号 | 公称 | 试验压力 | 工作温度(℃) | ||
强度 | 密封 | 低压密封 | |||
H42W-16 | 1.6 | 2.4 | 1.8 | 0.6 | ≤200 |
H42W-25 | 2.5 | 3.8 | 2.8 | 0.6 | ≤200 |
H42W-40 | 4.0 | 6.0 | 4.4 | 0.6 | ≤200 |

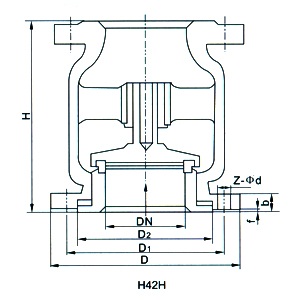
主要外形尺寸
型号 | 公称通径 DN | 尺寸(mm) | ||||||
L | D | D1 | D2 | H | b | Z-Φd | ||
H42H/W-16 | 15 | 130 | 95 | 65 | 45 | 77 | 14 | 4-14 |
20 | 150 | 105 | 75 | 55 | 77 | 14 | 4-14 | |
25 | 160 | 115 | 85 | 65 | 80 | 16 | 4-14 | |
32 | 180 | 135 | 100 | 78 | 85 | 16 | 4-18 | |
40 | 200 | 145 | 110 | 85 | 95 | 16 | 4-18 | |
50 | 230 | 160 | 125 | 100 | 105 | 16 | 4-18 | |
65 | 290 | 180 | 145 | 120 | 120 | 18 | 4-18 | |
80 | 310 | 195 | 160 | 135 | 130 | 20 | 8-18 | |
100 | 350 | 215 | 180 | 155 | 140 | 20 | 8-18 | |
125 | 400 | 245 | 210 | 185 | 155 | 22 | 8-18 | |
150 | 480 | 280 | 240 | 210 | 180 | 24 | 8-23 | |
200 | 600 | 335 | 295 | 265 | 215 | 26 | 12-23 | |
H42H/W-25 | 15 | 130 | 95 | 65 | 45 | 77 | 16 | 4-14 |
20 | 150 | 105 | 75 | 55 | 80 | 16 | 4-14 | |
25 | 160 | 115 | 85 | 65 | 85 | 16 | 4-14 | |
32 | 180 | 135 | 100 | 78 | 95 | 18 | 8-18 | |
40 | 200 | 145 | 110 | 85 | 105 | 18 | 8-18 | |
50 | 230 | 160 | 125 | 100 | 120 | 20 | 8-18 | |
65 | 290 | 180 | 145 | 120 | 130 | 212 | 8-18 | |
80 | 310 | 195 | 160 | 135 | 140 | 22 | 8-18 | |
100 | 350 | 230 | 190 | 160 | 155 | 24 | 8-23 | |
125 | 400 | 270 | 220 | 188 | 180 | 28 | 8-25 | |
150 | 480 | 300 | 250 | 218 | 215 | 30 | 8-25 | |
200 | 600 | 360 | 310 | 278 | 973 | 34 | 12-25 | |
良好的品质、优良的服务 奇高为你创造更多价值!
“奇高阀门”的期望,不断提升服务质量,精益求精,“真诚的服务”是“奇高”永恒的主题。“奇高”严格按照IS09001-2000 质量体系认证要求,质量严格把关, 责任到人,确保生产、销售、服务的健康运行。加强与用户沟通,竭诚为广大客户提供优良产品,贴心服务。特此我厂做出以下承诺:
产品标准:
产品严格按照中国GB、HG 标准和美国API等标准设计、制造、验收。密封面硬度达到国家规定要求,宽度超过国家标准。
售前服务:
产品介绍,技术交流,非标产品设计,疑难解答。
售中服务:
守信合同,及时供货,随时保持与客户联系。 对特殊或复制的产品,我厂安排技术人员对用户进行产品使用、故障排除
售后服务:
1、“奇高”牌产品品质期为自出厂起12个月,实行“三包”服务(包退、包换、保修)。
2、产品在使用中我厂定期组织技术、质检人员进行访问,征询用户对产品质量、 使用状况、改进意见等方面的反馈, 以便进一步提高产品质量。
3、对用户投诉质量问题,快速作出反应,售后服务人员在24-36小时(省外48小时)赶赴现场。
4、对售后服务,要求用户填写服务后的质量反馈信息表,并作出鉴定意见,以便提高奇高的服务质量。
1、客户如对产品有特殊要求,须在订货合同中提供以下说明:
a、结构长度;
b、连接形式;
c、公称直径、全通径、缩径、管道尺寸;
d、运行介质及温度、压力范围;
e、试验、检验标准及其他要求
2、本厂可根据客户特定要求配置各类驱动装置。
3、如由客户提供确定的阀门类型和型号时,客户应正确说明其型号的含义和要求,在供需双方理解一致的条件下签订合同。
4、期货、订货的客户请先来电函详细告诉所需的阀门型号、规格、数量以及交货时间、地点,并按总的30%预定金或全额货款及时汇入我厂帐户,其余货款待发货前汇入,以便及时安排发货。
订单流程:
1、客户采购清单传真至021-33872143,或来电咨询 021-33872141
2、收到客户采购清单,为客户提供阀门型号选型与报价(价格清单)。
3、具体商定:交货期、特殊要求等事宜。
订货须知:
1、客户如对产品有特殊要求,须在订货合同中提供以下说明:
|
|||||
|
|||||
2、本厂可根据客户特定要求配置各类驱动装置。
|
|||||
3、如由客户提供确定的阀门类型和型号时,客户应正确说明其型号的含义和要求,在供需双方理解一致的条件下签订合同。
|
|||||
4、期货、订货的客户请先来电函详细告诉所需的阀门型号、规格、数量以及交货时间、地点,并按总的30%预定金或全额货款及时汇入我厂账户, 其余货款待发货前汇入,以便及时安排发货。
|
售中服务:
守信合同,及时供货,随时保持与客户联系。
对特殊或复制的产品,我厂安排技术人员对用户进行产品使用、故障排除
售后服务:
1、“奇高”产品品质期为自出厂起12个月,实行“三包”服务(包退、包换、保修)。
2、产品在使用中我厂定期组织技术、质检人员进行访问,征询用户对产品质量、使用状况、改进意见等方面的反馈,
以便进一步提高产品质量。
3、对用户投诉质量问题,快速作出反应,售后服务人员在24-36小时(省外48小时)赶赴现场。
4、对售后服务,要求用户填写服务后的质量反馈信息表,并作出鉴定意见,以便提高“奇高”的服务质量。
声明 |
|