TZW手动升降比例阀
- 销售:021-32051999
- 销售:021-32050777
- 传真:021-66099555
详情介绍
- 产品介绍
- 服务承诺
- 订货流程
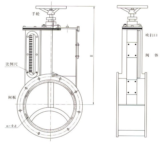
升降比例阀是一种含气体、无粘度的小颗粒粉尘、粉料等介质的气体输送管道中,作为调节或切断介质流量的主要控制调节设备,它可广泛地适用于冶金、建材、化工、电站、玻璃等行业除尘系统中。
升降比例阀的阀体、阀板采用优良碳钢焊接而成,并在阀体上设有开度显示器,能正确反映阀板的开启位置,同时没有吹哨孔,便于清扫丝杆上灰尘,从而确保阀门的使用寿命及阀门开启力矩。
主要技术参数
公称压力:0.01Mpa
工作温度:≤150℃
适用介质:含尘气体、空气、烟气、无粘度的小颗粒粉尘、粉料。
介质流速:≤28m/s
调节特性:等百分比
主要零件材料
阀体、阀板:采用优良碳钢焊接
阀板与风道接触面:3Cr13I不锈钢
螺旋丝杆:采用2Cr13

主要外形连接尺寸
公称通径DN | L | D | D1 | b | n | d | H | 重量kg |
200 | 200 | 310 | 280 | 10 | 8 | 14 | 510 | 38 |
220 | 200 | 330 | 300 | 10 | 12 | 14 | 535 | 40 |
250 | 200 | 360 | 330 | 10 | 12 | 14 | 575 | 48 |
260 | 200 | 370 | 340 | 10 | 12 | 14 | 590 | 52 |
280 | 200 | 390 | 360 | 10 | 12 | 14 | 610 | 60 |
300 | 200 | 410 | 380 | 10 | 12 | 14 | 700 | 65 |
320 | 200 | 430 | 400 | 10 | 12 | 14 | 725 | 70 |
340 | 200 | 450 | 420 | 10 | 12 | 14 | 750 | 85 |
350 | 200 | 460 | 430 | 10 | 12 | 14 | 770 | 90 |
360 | 200 | 470 | 440 | 10 | 12 | 14 | 780 | 96 |
380 | 200 | 490 | 460 | 10 | 12 | 14 | 800 | 100 |
400 | 250 | 510 | 480 | 10 | 16 | 14 | 890 | 115 |
420 | 250 | 530 | 500 | 12 | 16 | 14 | 930 | 125 |
450 | 250 | 560 | 530 | 14 | 16 | 18 | 1010 | 140 |
480 | 250 | 600 | 560 | 14 | 16 | 18 | 1050 | 180 |
500 | 300 | 620 | 580 | 14 | 16 | 18 | 1090 | 200 |
520 | 300 | 640 | 600 | 14 | 20 | 18 | 1110 | 220 |
620 | 350 | 750 | 710 | 14 | 20 | 18 | 1280 | 240 |
630 | 350 | 760 | 720 | 14 | 20 | 18 | 1305 | 250 |
680 | 350 | 790 | 750 | 16 | 24 | 18 | 1380 | 280 |
720 | 350 | 830 | 790 | 16 | 24 | 18 | 1440 | 320 |
750 | 350 | 870 | 830 | 16 | 24 | 18 | 1525 | 350 |
850 | 350 | 970 | 930 | 20 | 24 | 18 | 1675 | 380 |
900 | 350 | 1020 | 980 | 20 | 24 | 18 | 1750 | 450 |
950 | 350 | 1070 | 1030 | 20 | 28 | 18 | 1825 | 500 |
1000 | 400 | 1120 | 1080 | 20 | 28 | 20 | 1950 | 600 |
1200 | 400 | 1400 | 1280 | 20 | 28 | 22 | 2250 | 800 |
1250 | 400 | 1370 | 1330 | 20 | 28 | 22 | 2525 | 890 |
良好的品质、优良的服务 奇高为你创造更多价值!
“奇高阀门”的期望,不断提升服务质量,精益求精,“真诚的服务”是“奇高”永恒的主题。“奇高”严格按照IS09001-2000 质量体系认证要求,质量严格把关, 责任到人,确保生产、销售、服务的健康运行。加强与用户沟通,竭诚为广大客户提供优良产品,贴心服务。特此我厂做出以下承诺:
产品标准:
产品严格按照中国GB、HG 标准和美国API等标准设计、制造、验收。密封面硬度达到国家规定要求,宽度超过国家标准。
售前服务:
产品介绍,技术交流,非标产品设计,疑难解答。
售中服务:
守信合同,及时供货,随时保持与客户联系。 对特殊或复制的产品,我厂安排技术人员对用户进行产品使用、故障排除
售后服务:
1、“奇高”牌产品品质期为自出厂起12个月,实行“三包”服务(包退、包换、保修)。
2、产品在使用中我厂定期组织技术、质检人员进行访问,征询用户对产品质量、 使用状况、改进意见等方面的反馈, 以便进一步提高产品质量。
3、对用户投诉质量问题,快速作出反应,售后服务人员在24-36小时(省外48小时)赶赴现场。
4、对售后服务,要求用户填写服务后的质量反馈信息表,并作出鉴定意见,以便提高奇高的服务质量。
1、客户如对产品有特殊要求,须在订货合同中提供以下说明:
a、结构长度;
b、连接形式;
c、公称直径、全通径、缩径、管道尺寸;
d、运行介质及温度、压力范围;
e、试验、检验标准及其他要求
2、本厂可根据客户特定要求配置各类驱动装置。
3、如由客户提供确定的阀门类型和型号时,客户应正确说明其型号的含义和要求,在供需双方理解一致的条件下签订合同。
4、期货、订货的客户请先来电函详细告诉所需的阀门型号、规格、数量以及交货时间、地点,并按总的30%预定金或全额货款及时汇入我厂帐户,其余货款待发货前汇入,以便及时安排发货。
订单流程:
1、客户采购清单传真至021-33872143,或来电咨询 021-33872141
2、收到客户采购清单,为客户提供阀门型号选型与报价(价格清单)。
3、具体商定:交货期、特殊要求等事宜。
订货须知:
1、客户如对产品有特殊要求,须在订货合同中提供以下说明:
|
|||||
|
|||||
2、本厂可根据客户特定要求配置各类驱动装置。
|
|||||
3、如由客户提供确定的阀门类型和型号时,客户应正确说明其型号的含义和要求,在供需双方理解一致的条件下签订合同。
|
|||||
4、期货、订货的客户请先来电函详细告诉所需的阀门型号、规格、数量以及交货时间、地点,并按总的30%预定金或全额货款及时汇入我厂账户, 其余货款待发货前汇入,以便及时安排发货。
|
售中服务:
守信合同,及时供货,随时保持与客户联系。
对特殊或复制的产品,我厂安排技术人员对用户进行产品使用、故障排除
售后服务:
1、“奇高”产品品质期为自出厂起12个月,实行“三包”服务(包退、包换、保修)。
2、产品在使用中我厂定期组织技术、质检人员进行访问,征询用户对产品质量、使用状况、改进意见等方面的反馈,
以便进一步提高产品质量。
3、对用户投诉质量问题,快速作出反应,售后服务人员在24-36小时(省外48小时)赶赴现场。
4、对售后服务,要求用户填写服务后的质量反馈信息表,并作出鉴定意见,以便提高“奇高”的服务质量。
声明 |
|